Informazioni tecniche
Scheda dati
Materiali
- Tronchetto in acciaio al carbonio secondo ISO 3183/API 5L grezzo,
- Manicotto filettato in acciaio ASTM A105.
Certificazioni
Informazioni tecniche
Annotazioni tecniche
- Connessione di entrata ed uscita a saldare.
Caratteristiche aggiuntive
- Tappo non in dotazione (vedi art.180/198).
Normative
- UNI EN 1555-3
- ISO 4437-3
- UNI EN ISO 228-1
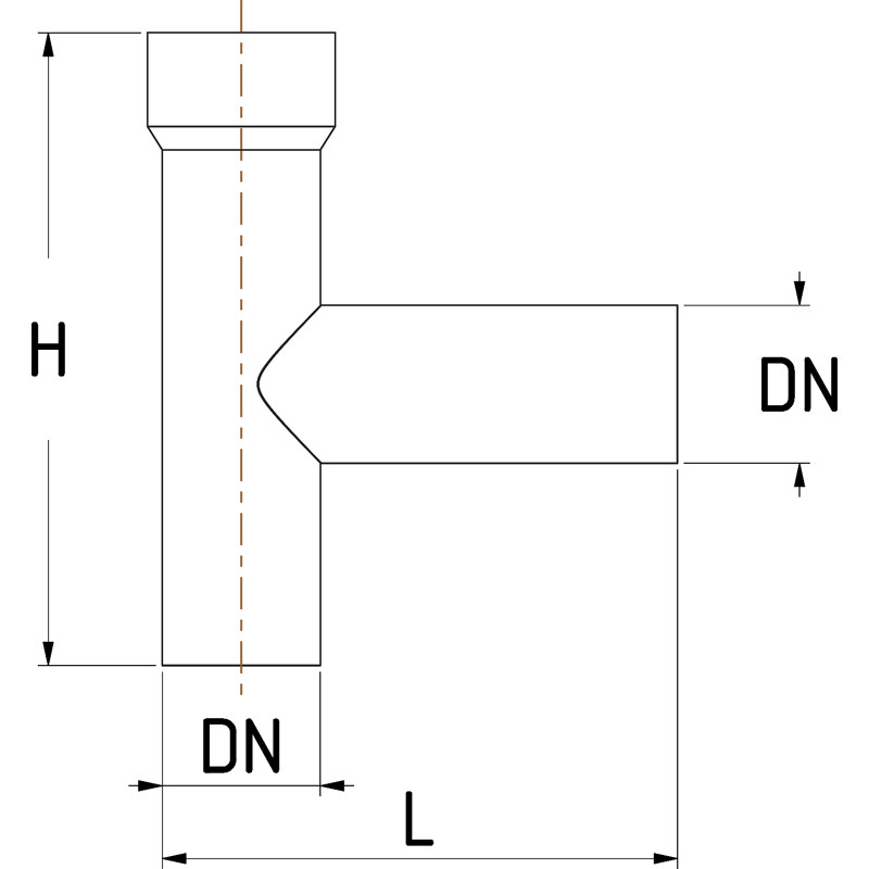
Dimensionali
| Codice | DN (inch) | DN (mm) | L (mm) | H (mm) | Peso (kg) |
|---|---|---|---|---|---|
| 1390000025 | 1" | 25 | 97 | 130 | 1.00 |
| 1390000032 | 1 1/4" | 32 | 102 | 140 | 1.50 |
| 1390000040 | 1 1/2" | 40 | 104 | 150 | 1.70 |
| 1390000050 | 2" | 50 | 115 | 160 | 2.50 |
| 1390000065 | 2 1/2" | 65 | 138 | 190 | 4.00 |
| 1390000080 | 3" | 80 | 155 | 200 | 6.10 |
| 1390000100 | 4" | 100 | 182 | 220 | 8.50 |

